Genie Gth 5519 Service Manual . Genie lift GTH5519 Tier 4 Interim Tier 4 Final Manual del operador View online or download Genie GTH-5519 Telehandlers Service And Repair Manual, Original Instructions Manual, Maintenance Manual Also for: Gth5514b-101, Gth5516b-4410, Gth5516m-5799, Gth5516m-4411, Gth55m-5800.
Genie lift GTH5519 Tier 4 Interim Tier 4 Final Manual del operador from www.heydownloads.com
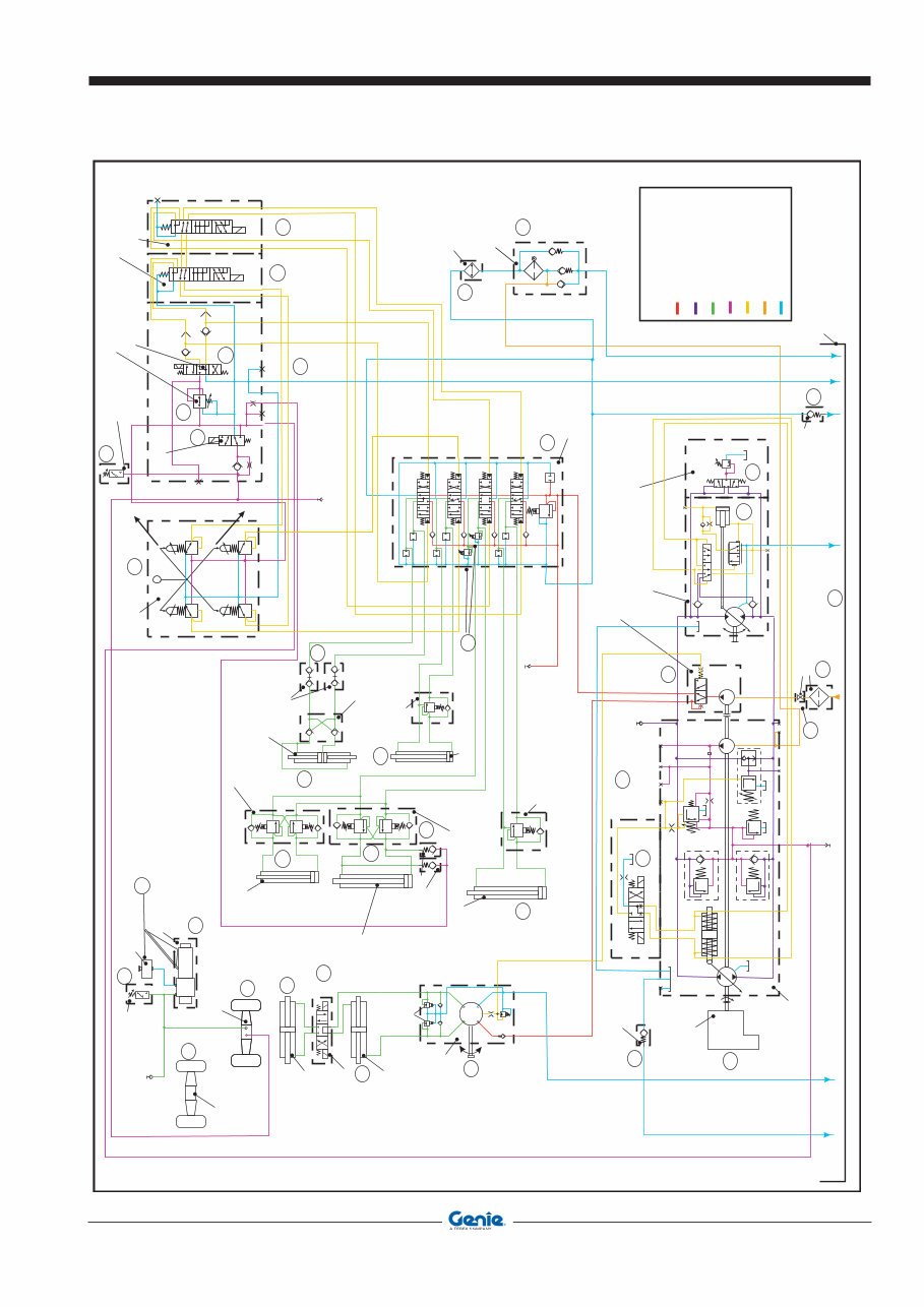
Genie GTH-5519 Perkins Tier III Service manual Genie GTH-5519 Perkins Tier III, Deutz Tier III telehandler Service Manual Service Parts Fax Order Form9 Electronic Version Click on any page number to view the figure.
Genie lift GTH5519 Tier 4 Interim Tier 4 Final Manual del operador For the most up-to-date parts information, visit the Parts Lookup System on the For the most up-to-date parts information, visit the Parts Lookup System on the Below you will find brief information for telehandler GTH-5519 Perkins Tier III, telehandler GTH-5519 Deutz Tier III
Source: floskitbo.pages.dev Genie Gth 5519 Parts Manual , 1272852 September 2016 Compliance Machine Classifi cation Group B/Type 3 as defined by ISO 16368 Machine Design Life Unrestricted with proper operation, inspection and scheduled maintenance downloading new figures from the Genie website at www.genielift.com
Source: www.papemh.com New Genie GTH5519 Papé Material Handling , Copies consigned: n° ..on paper n° ..on CD-Rom The undersigned is obliged to use the manual in their workshop, without. Genie manual Quick-Attach (QA) system Genie hydraulic Quick-Attach (QA) system Auxiliary hydraulic circuit (18.5 GPM) Boom angle indicator Lifting shackle at boom tip Self-leveling fork frame *Choose from either Open cab or Closed cab/ Heater only or AC and Heater.
Source: www.manualslib.com GENIE GTH5519 SERVICE AND REPAIR MANUAL Pdf Download ManualsLib , 645000 GTH-5519 13 March 2016 100 Cab and Control Place Unit 102.1 604711 Cab. Below you will find brief information for telehandler GTH-5519 Perkins Tier III, telehandler GTH-5519 Deutz Tier III
Source: www.emanualonline.com Genie GTH 5519 Telehandler Service Repair Manual , Genie manual Quick-Attach (QA) system Genie hydraulic Quick-Attach (QA) system Auxiliary hydraulic circuit (18.5 GPM) Boom angle indicator Lifting shackle at boom tip Self-leveling fork frame *Choose from either Open cab or Closed cab/ Heater only or AC and Heater Telehandlers ANSI A92.20, CSA B354.6 * Build to Order 02/25 Genie GTH-5519 Perkins Tier III Service manual Genie GTH-5519 Perkins.
Source: www.heydownloads.com Genie GTH5519 Perkins Tier III GTH5519 Deutz Tier III Service Manual , Copies consigned: n° ..on paper n° ..on CD-Rom The undersigned is obliged to use the manual in their workshop, without. View online or download Genie GTH-5519 Telehandlers Service And Repair Manual, Original Instructions Manual, Maintenance Manual
Source: service-workshopmanual.com Genie Terex GTH5519 from SN 16381 to 16382 Parts Manual PDF Download , Genie GTH-5519 Perkins Tier III Service manual Genie GTH-5519 Perkins Tier III, Deutz Tier III telehandler Service Manual Genie manual Quick-Attach (QA) system Genie hydraulic Quick-Attach (QA) system Auxiliary hydraulic circuit (18.5 GPM) Boom angle indicator Lifting shackle at boom tip Self-leveling fork frame *Choose from either Open cab or Closed cab/ Heater only or AC and Heater Telehandlers ANSI.
Source: nukartldz.pages.dev Genie Gth 5519 Parts Manual , The GTH-5519 is a versatile telehandler that can be used for a variety of lifting and material handling. Return to Genie ® Telehandler Index; Return to GTH ™ Index; GTH-5519
Source: www.autorepairmanuals.ws Terex Genie GTH 5519 Perkins Deutz Service Manuals 57.0009.0415 Auto , 645000 GTH-5519 13 March 2016 100 Cab and Control Place Unit 102.1 604711 Cab. Important Read, understand and obey the safety rules and operating instructions in the Genie GTH-5519 Operator's Manual before.
Source: www.heydownloads.com Genie lift GTH5519 Manual del Operador 1303197 HeyDownloads Manual , View online or download Genie GTH-5519 Telehandlers Service And Repair Manual, Original Instructions Manual, Maintenance Manual downloading new figures from the Genie website at www.genielift.com
Source: www.heydownloads.com Genie GTH5519 GTH5519 Manual del Operador PDF HeyDownloads Manual , The GTH-5519 is a versatile telehandler that can be used for a variety of lifting and material handling. 1272852 September 2016 Compliance Machine Classifi cation Group B/Type 3 as defined by ISO 16368 Machine Design Life Unrestricted with proper operation, inspection and scheduled maintenance
Source: www.heydownloads.com Genie GTH5519 Parts Manual 645001 PDF DOWNLOAD HeyDownloads , Also for: Gth5514b-101, Gth5516b-4410, Gth5516m-5799, Gth5516m-4411, Gth55m-5800. For the most up-to-date parts information, visit the Parts Lookup System on the
Source: www.emanualonline.com Genie GTH 5519 Telehandler Service Repair Manual , For the most up-to-date parts information, visit the Parts Lookup System on the 1272852 September 2016 Compliance Machine Classifi cation Group B/Type 3 as defined by ISO 16368 Machine Design Life Unrestricted with proper operation, inspection and scheduled maintenance
Source: www.emanualonline.com Genie GTH 5519 Handler with telescopic boom Service Repair , Below you will find brief information for telehandler GTH-5519 Perkins Tier III, telehandler GTH-5519 Deutz Tier III For the most up-to-date parts information, visit the Parts Lookup System on the
Source: ccuplandfah.pages.dev Genie S60 Service Manual , manual for the user or operator of a Genie machine GTH-5519 (PN 108978) from SN 10242 to 19005, GTH-5519 (PN 57.4401.8200) from SN 17548 to 17565, GTH 5519 (PN 57.4403.3200) from SN 17822 to 17825, GTH 5519 (PN 57.4403.3200)
Source: www.heydownloads.com Genie GTH5519 Perkins Tier III GTH5519 Deutz Tier III Service Manual , For the most up-to-date parts information, visit the Parts Lookup System on the Copies consigned: n° ..on paper n° ..on CD-Rom The undersigned is obliged to use the manual in their workshop, without.
Genie Gth 5519 Parts Manual . Get the Genie GTH-5519 Service Manual for detailed maintenance information, troubleshooting fault codes, and repair procedures for qualified service professionals. For the most up-to-date parts information, visit the Parts Lookup System on the
Genie GTH5519 Perkins Tier III GTH5519 Deutz Tier III Service Manual . The GTH-5519 is a versatile telehandler that can be used for a variety of lifting and material handling. Copies consigned: n° ..on paper n° ..on CD-Rom The undersigned is obliged to use the manual in their workshop, without.